Elektron komponentlar
Elektron komponent tuchunchasi
Elektron komponent – elektron tizimdagi elektron yoki uniga bog’liq maydonga ta’sir qilish uchun qo’llaniladigan yaxlit komponent. Bajaradigan vazifasiga qarab, elektron komponentning ko’plab turlari mavjud (Biz asosan ularning Arduino tizimida ko’p qo’llaniladigan turlarini sanab o’tish bilan cheklanamiz).
Ma’lumki, har qanday elektr qurilma bajaradigan vazifasiga qarab bir nechta yoki minglab elektron komponentlardan tashkil topgan bo’lishi mumkin.

1-rasm. Asosiy elektron komponentlar
Yuqoridagi 1-rasmda ayrim elektron komponentlarning tashqi ko’rinishi keltirilgan.

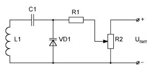
2-rasm. Transformatorsiz ta’minot bloki prinsipial sxemasiga misol

3-rasm. Arduino UNO platasining prinsipial sxemasi
2-rasmda 220 volt o’zgaruvchan kuchlanishni 5 voltli o’zgarmas kuchlanishga tushirib beruvchi transformatorsiz ta’minlash blokining, 3-rasmda esa, Arduino Uno platasining prinsipial sxemasi keltirilgan. Ushbu sxemalardagi har bir komponent o’z qiymatiga va vazifasiga (xarakteristikasiga) ega. Ulardan birontasining qiymati o’zgarish qurilmaning ishlashiga o’ziga xos ta’sir ko’rsatadi.
Masalan, 2-rasmda VR1 mikrosxemaning turi 78L05 dan 78L09 ga almashtirilsa, ta’minot blokining chiqish kuchlanishi 5 voltdan 9 voltga o’zgaradi. Yoki, ushbu sxemadan C0, R1 va R2 elementlar chiqarib yuborilib, ularning o’rniga 220 voltdan 10-12 voltga tushiruvchi transformator qo’llanilsa, ta’minot blokining vazifasi o’zgarmasa-da, uning kirish va chiqish qismlari o’rtasida galvanik ajralish yuzaga kelib, transformatorning chiqish qismida inson hayoti uchun xavfsiz bo’lgan kuchlanish hosil bo’ladi. Ya’ni, yuqori kuchlanish qurilmadagi qolgan detallargacha yetib bormaydi. Chunki 220V kuchlanish transformatorning 1-o’ramida qolib, 2-o’ramda faqat 10-12V kuchlanish mavjud bo’ladi.
Agar mazkur sxemadagi C2 kondensator qiymati 100 mikrofaraddan 500 mikrofaradga o’zgartirilsa, ta’minlash blokining o’zida zaryadni saqlash qobiliyati ortadi va qisqa muddatli elektr uzilishida unga ulangan qurilmadagi kuchlanishning saqlanib turish vaqti ortadi, shuningdek chiquvchi kuchlanish pulsatsiyalardan (elektr shovqinlaridan) ko’proq tozalanadi. Lekin yuqori qiymatli kondensator nisbatan qo’polligi (kattaroqligi) sababli, tabiiyki, platadan ham ko’proq joy talab qiladi. Shuning uchun har bir elektron komponentni tanlashda uning tashqi o’lchamiga ham alohida e’tibor qaratiladi.
Elektron komponentlar tashqi hajmi va plataga joylashtirish usuliga ko’ra, asosan DIP va SMD turlariga bo’linadi. DIP komponent hajmi kattaroqligi sababli, uni plataga joylashtirish va lehimlash inson tomonidan ham bajarilishi mumkin. Lekin tabiiyki, ular platadan ko’proq joy talab qiladi. Mikrosxemalar, xususan mikrokontrollerlarning DIP, SMD dan tashqari, oyoqchalarning joylashuvi va shakliga ko’ra SOIC, TQFP, PLCC kabi usullarda ham ishlab chiqariladigan turlari mavjud.
Qurilmadan kichik hajm va energiya tejamkorligi talab etilgan holatlarda elektron komponentlarning juda kichik (mikroskopik) hajmdagi maxsus turidan foydalaniladi. Ular umumiy tarzda SMD komponent (“surface mounted device”) deb ham yuritiladi. Ular inson tomonidan lehimlash uchun juda noqulay va maxsus asbob-uskunalardan foydalanishni talab etadi, shuning uchun bunday komponentlarni plataga asosan ishlab chiqaruvchi (zavod) tomonidan SMT texnologiyasi (“surface mount technology”) yordamida joylashtiriladi.
Elektr sxemalarda maksimal quvvatini hisobga olmaganda, DIP va SMD komponentlar farqlanmaydi. Masalan, Arduino UNO platasidagi mikrokontrollerning DIP hamda SMD komponent ko’rinishidagi turlaridan foydalanilgan ko’rinishlari mavjud. Ularning narxini hisobga olmaganda, bir-biridan deyarli farq qilmaydi (DIP komponentli plata qimmatroq turadi).
DIP yoki SMD Agar platada joy yetarli bo’lsa, ishdan chiqqan SMD komponent o’rniga xuddi shunday qiymatli DIP komponentdan foydalanish mumkin. Lekin, ishdan chiqqan DIP komponent o’rniga SMD komponent o’rnatishda uning qiymatidan tashqari, quvvati yoki tok o’tkazish qobiliyati darajasi yetarli ekanli ekanligiga ham alohida e’tibor qaratish kerak.
Biz o’z qurilmalarimizni yaratishda, qulaylik uchun faqat DIP komponentlardan foydalanamiz.
Quyida ko’p qo’llaniladigan elektron komponentlar va ularning asosiy xarakteristikalari haqida qisqacha ma’lumotlar keltiriladi.
REZISTOR
Rezistor (qarshilik) – sxemaning ma’lum zanjirida elektr tokining qiymatini cheklash va kuchlanishni pasaytirish maqsadida qo’llaniladigan komponent. Masalan, har qanday svetodiod orqali o’tadigan tok rezistor yordamida cheklanmasa, uning kuyib qolishi ehtimoli ortadi.

Rezistor qarshiligining qiymati Om, kOm, MOm o’lchov birliklarida o’lchanadi. Ko’pincha rezistorlarda uning qarshiligi va undan chetga chiqish ehtimoli foizda yozib qo’yiladi. Buning imkoni bo’lmagan turlarida (kichikroq rezistorlarda) uning qiymati o’rniga rangli chiziq ko’rinishidagi kodli belgilashdan foydalaniladi. Har bir chiziqning tartibi va rangning kodi ma’lum raqamni anglatadi.

Rezistorlar doimiy (o’zgarmas) va o’zgaruvchan turlarga bo’linadi. Doimiy rezistor o’zgarmas qarshilikka ega bo’ladi. O’zgaruvchan rezistor – qarsiligini xohlagan paytda o’zgartirish (sozlash) mumkin bo’lgan rezistor (potensiometr, enkoder, “переменный резистор”) hisoblanadi. Ko’picha o’zgaruvchan rezistorlar qurilmaning asosiy xarakteristikalarini (tovush, yorug’lik darajasi va boshqalarni) sozlash (regulirovka qilish) uchun ishlatiladi. Qurilma qutisi ichida va plataning o’zida joylashadigan o’zgaruvchan rezistorlar ichki sozlash rezistori (“подстроечный резистор”) deb ataladi.
Bundan tashqari, rezistorlarning inson aralashuvisiz ham – tashqi muhit ta’siri ostida qarshiligi keskin o’zgaradigan turlari ham mavjud: 1) termorezistor – qarshiligi muhit temperaturasiga mos ravishda o’zgaradigan rezistor; 2) fotorezistor – qarshiligi muhitdagi yorug’lik darajasiga mos ravishda o’zgaradigan rezistor; 3) varistor – qarshiligi undan o’tayotgan kuchlanishga mos ravishda o’zgaradigan rezistor.
Bundan tashqari, barcha turlardagi rezistorlarda ham agar ular qizib ketsa, ularning qarshiligi ham qisman kamayishi kuzatiladi.
Prinsipial sxemalarda rezistorlar “R” harfi (R1, R2, R3, …) bilan belgilanadi va quyidagi shartli grafik belgilar bilan ko’rsatiladi:

Turli prinsipial sxemalarda rezistorlarni grafik belgilashda 2 ta variantdan biri qo’llanilishi mumkin. Rezistorlarning boshqa turlari va belgilari ham mavjud, lekin ular amaliyotda kam uchraydi.
Arduino loyihalarini yaratishda fotorezistor va termorezistorlardan ko'p foydalaniladi. Fotorezistorning qo'llanilishida ortiqcha savollar tug'ilmaydi. Lekin, termorezistor qiymati temperatura aniqligiga bevosita aloqadorligi uchun, unga kengroq to'xtalib o'tamiz. Loyihalarda ko'proq termorezistorning termistor turi qo'llaniladi. Termistor (NTC - negative temperature coefficient) termorezistorning bir turi bo'lib, temperatura ko'tarilganda uning qarshiligi pasayadi va aksincha. Pozistorda (PTC - positive temperature coefficient) esa, temperatura ortganda qarshilik ham ortadi. Termometr ko'rsatkichi aniqligi muhimligi sababli, Arduino loyihalarida shunchaki uning qarshiligini o'chash bilan cheklanmaymiz - analog pindagi signal kuchlanish darajasi va sxemadagi rezistorlarning qarshili qiymatigidan kelib chiqib, datchikdagi temperaturani aniqlash mumkin (raqamli termodatchiklarda ushbu vazifani datchikning o'zi bajarib, oxirgi natijani raqamli ko'rinishga keltiradi).Sxemadan ko'rinadiki, R1 termistor va R2 rezistor birgalikda kuchlanishni bo'lgich ("делитель напряжения") vazifasini bajaradi. Ya'ni, R2 rezistor qarshiligi va zanjirdagi kiruvchi kuchlanish o'zgarmasligini hisobga olinsa, zanjirdagi chiquvchi kuchlanish qiymati faqat R1 termistorning qiymatiga bo'g'liq bo'ladi va ushbu formula bo'yicha aniqlanadi: Uch = R1 /(R1 + R2) · Uk. Bu yerda Uch - chiquvchi kuchlanish, Uk - kiruvchi kuchlanish. Chiquvchi kuchlanishni Arduino ADC konverteri orqali raqamli formatga o'tkazilsa, kuchlanishga mos qiymat quyidagi formuladan aniqlanadi: Du= Uch · 1023 / Uk. Bu yerda Du - kuchlanishning raqamli qiymati. Demak, yuqoridagi formulani hisobga olsak, quyidagi natijaga kelamiz: Du = R1 /(R1 + R2) · Uk · 1023 / Uk yoki Du = R1 /(R1 + R2) · 1023. Ko'rinib turibdiki, natija kiruvchi va chiquvchi kuchlanishlarga bog'liq emas. Demak, R1 termistor qiymatini quyidagi formula bo'yicha aniqlash mumkin: R1 = R2 / (1023/Du - 1). Termistordagi temperaturani aniqlashda esa, quyidagi Steynxart-Xart formulasidan foydalanishimiz mumkin:
. Bu yerdagi T - temperaturaning Kelvin birligidagi qiymati, A (0.001129148), B (0.000234125) va C (0.0000000876741) - Steynxart koeffitsientlari. Demak, temperatura quyidagi formuladan aniqlanadi (Arduino uchun kodi): T = (1.0 / (A + B*logR2 + C*logR2*logR2*logR2)). Kelvindan Selsiy birligiga o'tkazish formulasi: T = T - 273.15. Oxirgi 2 ta formuladan Arduinoning termometr yaratish loyihalarida foydalanish mumkin.
Rezistorlarning o’zidan energiya tarqatish quvvatiga (“мощность рассеивания”) qarab ham grafik belgilari ajratiladi. Bunda energiya tarqatish quvvati qo’shimcha chiziqchalar va Rim raqamlari bilan belgilanadi, ularning tarqatish quvvati vatt birligida (W) o’lchanadi:

Yuqori quvvatli rezistorlar ko’proq katta elektr tokini talab qiladigan qurilmalarda uchraydi, Arduino qurilmalarida esa, ko’pincha ularning kam (0,05 W, 0,125 W, 0,25 W) quvvatli turlari ishlatiladi. Agar qurilmadagi rezistor tez qizib ketayotgan bo’lsa, bu holat uning quvvati zanjir yuklamasi uchun yetarli bo’lmayotganini ham bildiradi.
KONDENSATOR
Kondensator – o’zida (kam miqdordagi) elektr zaryadini saqlash xususiyatiga ega bo’lgan element. Kondensator 2 ta elektrod plastina va ularni ajratuvchi dielektrik plastinadan tashkil topadi. Kondensatorning asosiy xarakteristikasi uning sig’imi bo’lib, odatda Farada o’lchov birligining pikofarada (pF), nanofarada (nF) va mikrofarada (mkF) darajalarida o’lchanadi (1 mkF=1000nF=1000000pF=0,001F). Sxemalarda kondensatorlar “C” harfi bilan belgilanadi (C1, C2, C3, …).
Qutbsiz kondensatorlar.
Kondensatorlar qo’llanilgan dielektrik turidan kelib chiqib elektrolitik (qutbli), keramik, qog’ozli, metall-qog’ozli, havoli va boshqa (qutbsiz) turlarga ajratiladi. Kondensatorlarning asosan keramik (qutbsiz) va elektrolitik (qutbli) turlari amalda keng qo’llaniladi. Elektrolitik kondensatorlar asosan o’zgarmas kuchlanishli qurilmalarda (shu jumladan, ta’minot bloklarida, aksariyat Arduino qurilmalarida), qutbsiz kondensatorlar esa, o’zgaruvchan kuchlanishli qurilmalarda yoki o’zgarmas kuchlanishli qurilmalarning yuqori chastotali va elektr shovqinlarini filtrlash qismlarida qo’llaniladi.
Qutbsiz kondensatorlar.
Kondensatorlar sig’imiga ko’ra o’zgarmas va o’zgaruvchan turlarga ham ajratiladi. O’zgaruvchan kondensatorlar Arduino qurilmalarida deyarli qo’llanilmaydi. Kondensatorlar sxmelarda quyidagicha belgilanadi (sig’imi va tashqi ko’rinishi bilan):

YARIM O’TKAZGICHLAR
Elektr tokini faqat bir tomonlama o’tkazadigan elektron komponentlar umumiy tarzda yarim o’tkazgich (“yarmini o’tkazish” ma’nosida emas!) deb yuritiladi. Yarim o’tkazgich texnologiyasi asosida ishlaydigan komponentlarning quyidagi asosiy turlari bor: 1) diodlar va 2) tranzistorlar. Lekin, ular ham o’z navbatida bir nechtadan turlarga bo’linib ketadi. Aksariyat mikrosxemalarda ham yarim o’tkazgichli ichki diod va tranzistorlar mavjud bo’lganligi uchun, ular ham odatda yarim o’tkazgichli elektron komponent sifatida qaraladi.
DIOD

Diod – kuchlanish qutbiga qarab elektr tokini bir tomonlama o’tkazish uchun mo’ljallangan ikki elektrodli yarim o’tkazgich turi. Diod elektrodlari anod (“+”) va katod (“-“) deb yuritiladi. Diod elektr tokini anoddan katodga o’tkazadi, qarama-qarshi yo’nalishda o’tkazmaydi.

Diodning bir necha xil turlari bo’lib, ularning ayrimlari vazifasi va xususiyatlari oddiy diodnikidan farq qiladi. Sxemalarda “VD” harflari juftligi bilan belgilanadi (VD1, VD2, VD3, …). Ular prinsipial sxemalarda ham turlicha grafik belgilar bilan ko’rsatiladi.
Stabilitron – elektr zanjiridagi kuchlanishning darajasini yuqoridan cheklash, ya’ni zanjir kuchlanishini stabillashtirish uchun mo’ljallangan diod turi:

Shotki diodi – oddiy diodga nisbatan kuchlanishga qarshiligi kamroq va tezroq ishlovchi diod turi.

Fotodiod – yoru’glik energiyasini elektr energiyasiga aylantiruvchi diod turi.

Svetodiod (yorug’lik diodi, LED – Light-Emitting Diode) – elektr energiyasini yorug’lik energiyasiga aylantiruvchi diod turi. Arduino loyihalarini yaratishda svetodiodlardan keng foydalaniladi. Ayniqsa, ko’plab loyihalarda svetodiodning bevosita Arduino platasiga o’rnatilgan varianti – ichki svetodioddan foydalanish qulayroq hisoblanadi. Chunki, bunda birinchidan, alohida svetodiod izlashga hojat qolmaydi, ikkinchidan, topilgan taqdirda ham uni Arduino pinlariga to’g’ridan to’g’ri ulash tavsiya etilmaydi, ya’ni uni 200-300 Om qarshilikka ega bo’lgan, tokni cheklovchi rezistor orqali ulash tavsiya etiladi. Aks holda uzoq vaqt yoniq turgan svetodiodning ishdan chiqish ehtimoli yuqori bo’ladi. Ichki svetodiod odatda, Arduino platasidagi mikrokontrollerning qaysidir raqamli piniga ulangan bo’ladi (bundan tashqari, ESP platalarida pining signal holati inversiyalangan, ya’ni qarama-qarshi holatga o’tkazilgan holda ham bo’ladi). Arduino platasidagi ichki svetodiodni haqiqiy “dastyor” deyish mumkin. Chunki, ma’lum bir murakkab dasturda (masalan, mikrokontroller biron pinini masofadan boshqarish zarur bo’lgan vaziyatlarda) raqamli pinga (masalan, rele orqali) ulangan yuklama ulanib/uzilishi jarayonini har safar aynan yuklamaning o’zi yoki rele holatiga qarab kuzatgandan ko’ra, yuklamani simulyatsiya qilishni svetodiodga topshirish mumkin, yana ham yaxshisi, ichki svetodiodga. Demak, svetodiod o’chishi/yonishi dasturni sinash jarayonlarida uning qanchalik to’g’ri yoki kamchilik bilan ishlayotganini aniqlashda yordam beradi. 
Optopara (optronning bir turi) – bir korpusda joylashgan va bir-biri bilan faqat yorug’lik orqali bog’lanadigan svetodiod va fotodiod (yoki fotorezistor, fototranzistor va hokazolar) dan tashkil topgan blok. Optoparaning vazifasi kiruvchi va chiquvchi zanjirlarni bir-biridan ajratish. Ko’pincha past kuchlanishli elektr zanjirni yuqori kuchlanishli zanjirdan izolyatsiyalash maqsadida foydalaniladi. Ya’ni, 1-zanjirdagi chiquvchi elektr toki 2-zanjirga yorug’lik orqali o’tadi:

Diodli ko’prik – odatda 4 ta dioddan iborat bo’lgan, o’zgaruvchan tokni doimiy tokka aylantiruvchi blok. 2 ta kiruvchi (o’zgarvchan) va 2 ta chiquvchi (o’zgarmas) – jami 4 ta kontaktdan iborat bo’ladi. Diodli blok ko’pincha alohida elektron komponent ko’rinishida ishlab chiqariladi, biroq uni 4 ta bir xil dioddan ham ularni quyidagi sxema asosida ulash orqali ham hosil qilish mumkin:

Tiristor (trinistor) – elektr tokini qo’shimcha elektrod signali ta’sirida to’g’ri yo’nalishda (anoddan katodga) o’tikazishga ruxsat beruvchi diod turi. Tiristor 3 ta elektroddan iborat bo’ladi. Tiristorning ishlash prinsipi kontaktsiz relenikiga o’xshab ketadi.

Simistor (simmetrik tiristor) – Tiristorning tokni har ikkala tomonga (anoddan katodga va katoddan anodga) ham o’tkazish imkoniyatiga ega bo’lgan turi. Shuning uchun undan o’zgaruvchan tokni ham har ikki tomonga o’tkazilishi zarur bo’lgan vaziyatlarda foydalaniladi:

Varikap (sig’imli diod) – o’z elektr sig’imini kuchlanish darajasiga mos holda o’zgartirishi mumkin bo’lgan diod. Sxemalarda o’zgaruvchan sig’imli boshqariluvchi kondensator sifatida, yuqori chastotali tebranish konturlarida foydalaniladi:

TRANZISTOR
Tranzistor – yarim o’tkazuvchi komponentlarning yana bir muhim turi bo’lib, asosan kiruvchi signalni kuchaytirish yoki kommutatsiyalash (kalit, ulash/uzish) vazifasini bajaradi. Tranzistorning eng muhim xususiyati – uning kuchaytirish koeffitsiyenti hisoblanadi. Masalan, mikrofondan qabul qilingan tovush elektr signaliga aylantirilgach, tranzistor uni kuchaytirib, dinamikka baland ovozda chiqarilishi jarayonida asosiy vazifani bajaradi. Tranzistorlar soni ortishi bilan kuchaytirish darajasi ham ortib boradi. Yana bir misol, ta’minot bloki (“блок питания”) kirish qismidagi elektr toki (kuchi) odatda qurilmani ishlatish uchun yetarli bol’lmaydi, tranzistor bunday holatda tok kuchini kuchaytirib, yetarli darajaga ko’tarib berishi mumkin. Sxemada tranzistorlar “VT” harflari juftligi bilan belgilnadi (VT1, VT2, VT3, …).
Tranzistor o’zining qo’shimcha vazifalariga ko’ra va yarim o’tkazish yo’nalishiga qarab ko’plab turlarga bo’linadi va ko’pincha 3 ta elektroddan iborat bo’ladi. Bipolyar (oddiy) tranzistor elektrodlari “baza”, “emitter” va “kollektor” deb ataladi. Bipolyar tranzistorlar yarim o’tkazish yo’nalishiga qarab “NPN tranzistor” yoki “PNP tranzistor” deb ajratiladi.


Prinsipial sxemalarda bipolyar tranzistorlar quyidagicha grafik belgilar bilan ko’rsatiladi:

Maydon tranzistori (mosfet, unipolyar, “полевой”) – tranzistorning yana bir turi bo’lib, elektr maydon ta’sirida boshqariladi, yuqori chastotali qurilmalarda va kam elektr energiyasi sarf etilishi talab etiladigan qurilmalarda keng qo’llaniladi. Maydon tranzistorining ishlash (kuchaytirish, ulash/uzish) prinsipi bipolyar tranzistornikidan farq qiladi va shunga mos tarzda uning elektrodlari ham boshqacha – “zatvor”, “stok”, “istok” deya nomlanadi. Shuningdek, grafik sxemalarda ham ular turlicha tasvirlanadi.

Mosfet (maydonli) tranzistorlar zamonaviy raqamli mikrosxemalar va mikrokontrollerlar qo’llanilgan qurilmalarda ulardan chiqqan signalning quvvatini oshirishda keng qo’llaniladi.
Tranzistorlarning kuchaytirish va kommutatsiyalash xususiyati takomillashtirilib, hozirda ularning asosidagi kuchaytiruvchi va kommutatsiyalovchi murakkab sxemali bloklar yagona korpuslarga joylashtirilib, mikrosxema ko’rinishida ham keng tarqalgan.
MIKROSXEMA (INTEGRAL SXEMA, CHIP, MIKROCHIP)

Mikrosxema – ma’lum bir sxema asosida bir nechta boshqa passiv elektron komponentlarni yagona korpusda birlashtirgan va ma’lum bir mustaqil vazifani bajarishga ixtisoslashtirilgan elektron komponent. Mikrosxemalar o’z tarkibida ko’plab funksional bloklarni birlashtirgani sababli, ularga ta’sir etish yoki ularda qayta ishlangan ma’lumotlardan foydalanish zaruriyati mavjudligi sababli, bir nechta yoki o’nlab sondagi oyoqchalardan (kontaktlardan) iborat bo’ladi. Mikrosxemalarni amaliyotda qo’llashda asosiy vazifasidan tashqari, ularning ishchi kuchlanishi va iste’mol qiladigan tokiga e’tibor qaratish zarur bo’ladi. Mikrosxemalar qayta ishlaydigan signal turiga qarab 2 xil turga – analog va raqamli mikrosxemalarga bo’linadi.
Analog mikrosxema – kiruvchi va chiquvchi signallari uzluksiz funksiyalar qonuniyati asosida o’zgaruvchi (ya’ni analog signallarni kuchaytiruvchi) mikrosxema. Arduino qurilmalarini yaratishda analog mikrosxemalar kam qo’llniladi, buning sababi – turli datchik (sensor) bloklari va modullar tarkibida analog mikrosxemalar oldindan mavjud bo’ladi. Arduino platalari esa, ushbu datchiklardan qabul qilingan analog signallarni raqamli ko’rinishga aylantirish va uni qayta ishlash jarayonlarida ishtirok etadi.
Raqamli mikrosxema – raqamli elektr signallari bilan ishlash uchun mo’ljallangan mikrosxema.
Raqamli mikrosxema ham o’z navbatida bajaradigan asosiy vazifasiga ko’ra, quyidagi asosiy turlarga bo’linadi:
Mantiqiy mikrosxema (“логическая микросхема”) – mantiqiy elementlar va mantiqiy operatorlar qoidasi asosida kalit vazifasini bajaradigan, qurilmaning asosiy jarayonlarini boshqaruvchi raqamli mikrosxema. Barcha mikroprotsessorlar va mikrokontrollerlar mantiqiy mikrosxemalarning murakkablashgan ko’rinishi hisoblanadi.
Xotira mikrosxemalari (RAM, SRAM, ROM, flash, SD-karta, TF-karta) – ma’lumotlarni o’zida vaqtincha saqlab, elektr ta’minoti uzilishi bilan tozalanadigan (RAM, SRAM), ma’lumotlar maxsus programmatorlar yordamida kiritiladigan va elektr ta’minoti uzilganda ham saqlanib qoladigan (ROM, flash) yoki foydalanuvchi ma’lumotlarini saqlaydigan va elektr ta’minoti uzilganda ham tozalanmaydigan mikrosxema (SD, TF-kartalar) turlari.
Interfeys (port) mikrosxemasi – asosiy sxemani (protsessor, mikrokontroller asosidagi sxemalarni) tashqi qurilmalar bilan bog’lash jarayonini boshqaruvchi mikrosxema. Bunday mikrosxemalar asosan bevosita tashqi qurilmani boshqaruvchi modullar (“drayverlar”) tarkibida qo’llaniladi. Bundan tashqari, interfeys mikrosxemalari qurilmalar o’rtasidagi bog’lanishni ta’minlash modullarida ham qo’llaniladi (bluetooth modullar, WiFi modullar va hokazo).
Elektr ta’minotini boshqarish mikrosxemalari (“микросхема питания”) – qurilma elektr ta’minotini boshqarish, ya’ni kuchlanishni stabillashtirish, yuqori yoki quyi kuchlanishlardan himoyalash va hokazo funksiyalarni bajaruvchi mikrosxemalar.
Yuqoridagilardan tashqari, mikrosxemalarning boshqa kichik turlari ham mavjud bo’lib, ular yuqoridagi asosiy turlarning tarkibiga kiradi.
Sxemalarda mikrosxemalar “D” (umumiy), “DA” (analog), “DD” (raqamli) va shunga o’xshash harfli belgilar bilan ifodalanadi (D1, DA1, DD1, … kabi) va alohida grafik belgilar bilan ajratiladi (batafsil ma’lumot, qo’shimcha ma’lumotlar). Bundan tashqari, prinsipial sxemalarda mikrosxemalarning har bir oyoqchasi (interfeysi) ham bajaradigan vazifasini eslatuvchi alohida belgiga ega bo’lishi mumkin. Namunalar:

Har bir mikrosxema o’ziga xos xususiyatlarga ega bo’lganligi sababli, ularning sxemalardagi grafik belgilanishida, ayniqsa oyoqchalarining vazifalari belgilanishida bir-biridan farq qilishi mumkin. Hozirgi kunda har bir mikrosxema va ulanish sxemasi haqida uni tavsiflovchi ma’lumotlar majmuasini (“datashit”ini) ishlab chiqaruvchi saytidan yoki Internet tarmog’ining boshqa texnik yo’nalishdagi resurslaridan izlab topib, aniq tasavvurga ega bo’lish mumkin.
MIKROKONTROLLER

Yuqorida ham keltirilganidek, mikrokontroller – mikrosxemalarning takomillashtirilgan, murakkab bir turi hisoblanadi. Shunday bo’lsa-da, mikrokontroller va uni o’z ichiga olgan platalardan har bir amaliy o’quv mashg’ulotimizda foydalanishimizni hisobga olsak, mikrokontrollerni har bir qurilmaning yuragi deb hisoblashimiz mumkin.
Arduino platalarini o’rganishda ularda joylashgan mikrokontrollerlar va ularning turlari bilan yaqindan tanishish zarurati tug’iladi. Shuning uchun bu haqdagi zaruriy ma’lumotlar alohida darsda keltiriladi.
Sxemadan ko'rinadiki, R1 termistor va R2 rezistor birgalikda kuchlanishni bo'lgich ("делитель напряжения") vazifasini bajaradi. Ya'ni, R2 rezistor qarshiligi va zanjirdagi kiruvchi kuchlanish o'zgarmasligini hisobga olinsa, zanjirdagi chiquvchi kuchlanish qiymati faqat R1 termistorning qiymatiga bo'g'liq bo'ladi va ushbu formula bo'yicha aniqlanadi:
Uch = R1 /(R1 + R2) · Uk. Bu yerda Uch - chiquvchi kuchlanish, Uk - kiruvchi kuchlanish.
Chiquvchi kuchlanishni Arduino ADC konverteri orqali raqamli formatga o'tkazilsa, kuchlanishga mos qiymat quyidagi formuladan aniqlanadi:
Du= Uch · 1023 / Uk. Bu yerda Du - kuchlanishning raqamli qiymati. Demak, yuqoridagi formulani hisobga olsak, quyidagi natijaga kelamiz:
Du = R1 /(R1 + R2) · Uk · 1023 / Uk yoki Du = R1 /(R1 + R2) · 1023. Ko'rinib turibdiki, natija kiruvchi va chiquvchi kuchlanishlarga bog'liq emas. Demak, R1 termistor qiymatini quyidagi formula bo'yicha aniqlash mumkin:
R1 = R2 / (1023/Du - 1). Termistordagi temperaturani aniqlashda esa, quyidagi Steynxart-Xart formulasidan foydalanishimiz mumkin: