Modul haqida
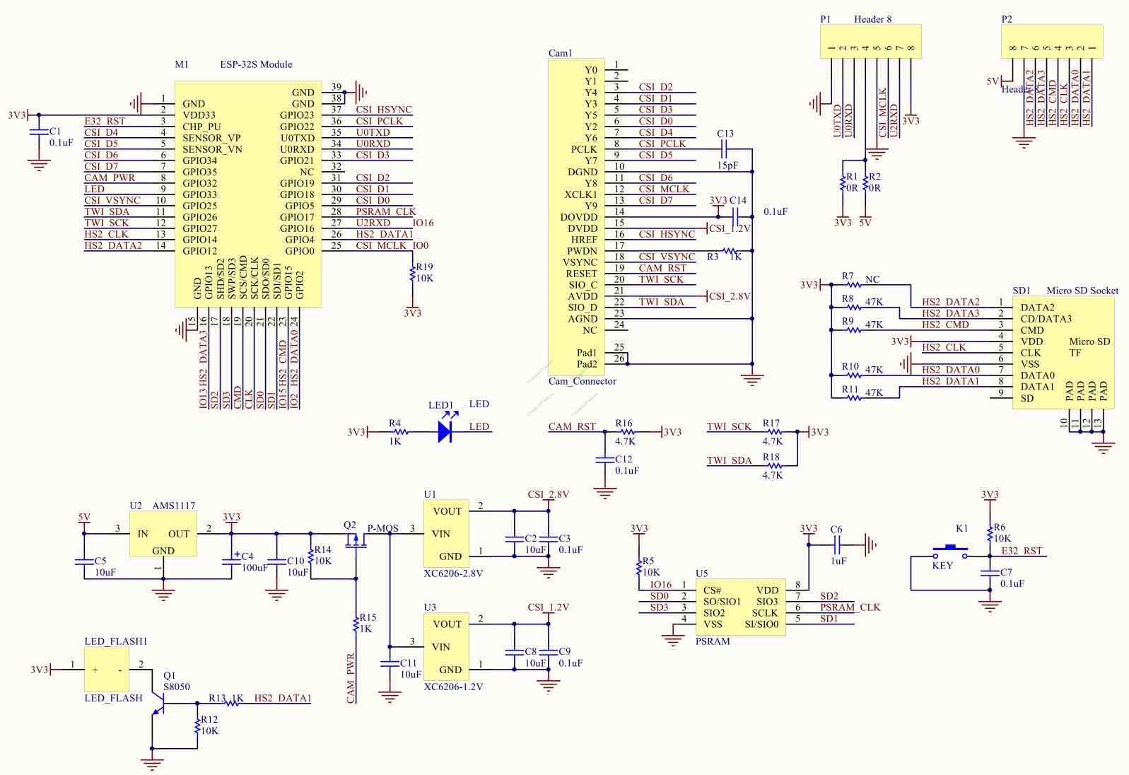
ESP32 oilasidagi plata va modullar ichida kameraga moslashtirilgan modullar ajralib turadi. Ular ESP32 ning aksariyat ichki imkoniyatlarini saqlab qolgan holda, foto/videolarni tasvirga olish imkoniyatini ham beradi. Shulardan eng ko’p tarqalgani ESP32-CAM (to’liqroq yozilishi, ESP32-CAM AI-Thinker) moduli hisoblanadi. U OV2640 rusumli mini-kamerani ham o’z ichiga olgan.

Moduldagi bir qator pinlar bevosita kamera va microSD modullari bilan ishlashga ajratilganligi sababli, foydalanuvchi uchun TX, RX pinlari bilan birga hisoblaganda jami 10 ta raqamli pindan foydalanish imkoniyati saqlangan, ularning deyarli barchasini (8 ta) ham analog, ham raqamli pin sifatida qo’llash mumkin. Lekin, modulning asosiy funksiyasi boshqa ekanligi hisobga olinsa, boshqa vazifalar uchun shu pinlar yetib, ortadi ham. Qolgan 6 ta kontaktlar (3 ta GND, 1 ta +3,3V, 1 ta +5V, VCC – chiquvchi +3,3/5V kuchlanishi) elektr ta’minotiga ajratilgan.
Kontaktlar soni boshqa ESP32 platalaridan keskin qisqargani, o’z navbatida modulning keskin ixchamlashtirilishi imkonini ham bergan.

Boshqa ESP32 platalaridan farqli ravishda, ushbu plata ichki programmator va USB-UART interfeysiga ega emas. Ya’ni, uni dasturlash uchun tashqi programmatordan foydalanishga tog’ri keladi.

Otladka (tekshirish, sozlash) jarayonlarini osonlashtirish uchun maxsus shild-modul ham ishlab chiqarilgan.


Modulning texnik xususiyatlari:
- 10 ta GPIO
- 802.11b / g / n standartlari uchun eng ixcham Wi-Fi BT SoC modul
- Takt chastotasi 160 MHz bo’lgan energiyasamarador 32 razryadli protsessorga ega
- SRAM 520 Kb, Flash 4Mb
- UART / SPI / I2C /PWM / ADC / DAC interfeyslariga ega
- OV2640 va OV7670 kameralari qo’llab-quvvatlanadi
- Svetodiodli indikatsiya va yorqin svetodiodli yoritgich
- Wi-Fi orqali tasvirlarni yuborish qo’llab-quvvatlanadi
- MicroSD-kartalar qo’llab-quvvatlanadi
- Uyqu rejimining bir necha usullari qo’llab-quvvatlanadi
- STA / AP / STA + AP ish rejimlari qo’llab-quvvatlanadi
- Smart Config / AirKiss texnologiyalari qo’llab-quvvatlanadi
- Поддержка локального и удаленного обновления прошивки (FOTA)

ESP32-CAM moduli Arduino IDE da dasturlash uchun ishlab chiqaruvchining maxsus bibliotekalari va yagona “CameraWebServer.ino” sketchi bilan ta’minlangan. Ushbu sketch yordamida mikrokontrollerning ishga tushishini test qilish va ichki veb-server tashkil qilish orqali kamerani boshqarish bilan bog’liq sozlamalarini o’zgartirish mumkin. Quyida ushbu sketchning faqat AI-Thinker ESP32-CAM modeli uchun qisqartirilgan va Blink sketchi funksiyasi qo’shilgan holati keltirilgan.
“CameraWebServer.ino” sketchi (qisqartirilgan):
Modulni qo’llash mumkin bo’lgan sohalar:
- Videokuzatuv kameralarida
- Buyumlar Interneti qurilmalarida
- Aqlli uy tarkibida
- Robototexnikada
- Masofadan boshqaruv qurilmalarida
va kamera yordamida lokal yoki onlayn kuzatish talab etiladigan boshqa loyihalarda.
Quyida, “O’zing yarat!” loyihasi doirasida uning qatnashchilari tomonidan ESP32-CAM modulini qo’llagan holda yaratilgan shaxsiy loyihalarga havolalar keltirilgan.